Die aufgebaute Uhr von Außen:

Das Innenleben:

Die Anzeige - frisch eingeschaltet.....das erste Signal wurde
bereits empfangen:

Die Anzeige - um 11:12:55 Uhr:

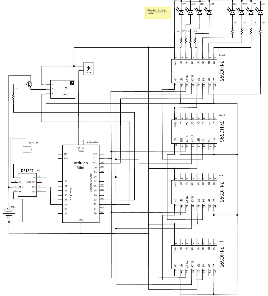
Noch der Schaltplan (Bild anklicken für höhere Auflösung):

Die restlichen LEDs sind aus Gründen der Übersichtlichkeit (und
Faulheit) nicht im Schaltplan enthalten.
Sie werden identisch zur Beschaltung des oberen Bausteins an die
drei unteren Bausteine angeschlossen.
Und der Steckplatinen-Aufbau:
